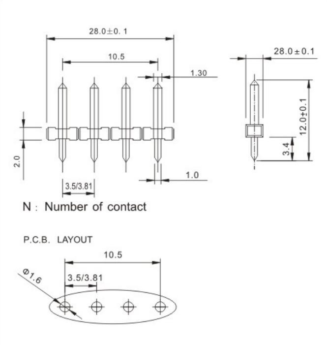
| ZH333J-350/381 Pitch:350/381MM | ||
| Part | Material | Plated |
| Frame: | PA66 UL94V-0 | - |
| Wireprotector: | Brass | Tin |
| Electrical | ||
| Voltage: | 300V | |
| Current: | 10A | |
| Poles: | 2-24P | |
| Insulation Reslistance: | 5000MΩ/1000V | |
| Withstand Voltage: | AC2000V/1Min | |
| Mechanical | ||
| Acceptable Temperation: | -33℃~+120℃ | |
| Max Soldering: | +250℃,5Sec | |

We are looking forward to cooperating with you!
Tel: 0574-63311836
Fax: 0574-63322593
Email: bao@zh-terminalblock.com
Address: No. 889, Tianyuan Avenue, Tianyuan Town, Cixi City
Copyright 2019--Cixi Zhongheng Electronic Co., Ltd Technical support:SHICHUANG 浙ICP備20006222號(hào)