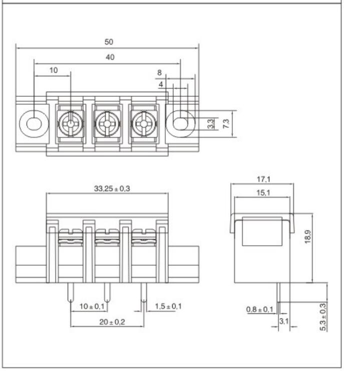
| ZH48BM-1000 Pitch:10.00MM | ||
| Part | Material | Plated |
| Frame: | PA66 UL94V-0 | - |
| Contact: | Brass | Tin |
| Screw: | M4.0Steel | Ni |
| Cover: | PC | - |
| Electrical | ||
| Voltage: | 300V | |
| Current: | 20A | |
| Wire size: | 12-22AWG | |
| Poles: | 2-20P | |
| Insulation Reslistance: | 5000MΩ/1000V | |
| Withstand Voltage: | AC2000V/1Min | |
| Mechanical | ||
| Acceptable Temperation: | -40℃~+105℃ | |
| Max Soldering: | +250℃,5Sec | |

We are looking forward to cooperating with you!
Tel: 0574-63311836
Fax: 0574-63322593
Email: bao@zh-terminalblock.com
Address: No. 889, Tianyuan Avenue, Tianyuan Town, Cixi City
Copyright 2019--Cixi Zhongheng Electronic Co., Ltd Technical support:SHICHUANG 浙ICP備20006222號